Acs Ignition Switch Wiring Diagram

Acs ignition switch wiring diagram. What size ring terminals fit the wiring connections? Install an outlet correctly and it's as safe as that can be; The other is a common toggle switch not unlike those used to control devices like pitot heat or landing lights. When you make use of your finger or perhaps the actual circuit with your eyes, it is easy to mistrace the circuit.

Set it up improperly and it can potentially deadly. What is the amp rating? If continuity is indicated with the ignition/starter switch in the off position, remove and replace the switch. Ignition switch wiring diagram acs keyed with start installation instructions for shower of sl1 96 aircraft systems learn to caring your plane basic electrical zenith vpx power planning vaf forums service kit maintenance matters.

Bendix magneto switch wiring diagram. I have the one with 5 connectors (grd, r, lr, l, in). A few weeks later, of course, that guy finds the key for the ignition switch. This means you can test ship's power vs.

Figure 2 illustrates a schematic representation of the magneto. If the pilot assembly starts sparking, replace wire harness. Supplied w/switch plate two keys. Ignition switch | key switch installation diagram

If no, go to step #3. With the aircraft battery master switch off, and the ignition/starter switch off, attach a continuity lamp/buzzer, timing light, or similar device across the bat and s terminal as shown in figure 1. C) connect wire from right mag to terminal 1 of drawing. Installation of ignition switch a) use shielded wire on all connections and ground to nearest structural member.

Ignition switch wiring diagram acs products company. Key selector for central motor roller shutter garage door china switch made in com. That's why there are so many rules surrounding electrical cabling and installations. Excellent service as usual !

Connect the grounding switch or vertex start relay to the magneto p terminal. There are two types of switches commonly used to control aircraft magnetos and starters. Acs288 ignition switch | key switch installation diagram author: Available with or without starter position.

I guess if you don't write the key code number down there isn't an easy way to get another one. Wiring an ignition switch infinitybox rebel wire quick 64 c10 diagram thanks for the picture ryuilt if this had ign1 and ign2 2 would be hot in start 1 diagrams to help you understand how it is done electrical redsquare wheel horse forum wizards auto cranking with off mr2 owners club 28 5 labels ideas acs products company allischalmers on your jinma tractor circle g parts 1965. Ignition offered a solution to hard starting aircraft engines some decades later. This can cause various anomalies in the capacitor discharge ignition (cdi) system, including erratic ignition and hard starting.

Proper wiring and operation of. The problem is that these switches are not designed to handle the ac voltage used in the rotax ignition system. This will provide all available terminal connection information for this acs keyed ignition switch. The ignition switch is a well made product and worked as it should.

Connect wire from left mag to terminal 2 of drawing. I am looking for a wiring diagram for the shower of sparks vibrator with relay to the turn key acs ignition switch. They provide “on” and “off” electrical control of both magnetos on single engine aircraft. Easy to find the wiring for the vibrator coil with two connectors (bo and l).

In an effort to not screw around any further, he/she simply overnighted another ignition switch of the same model (that came with a new key) and swapped the switches out. 1 trick that we 2 to printing a similar wiring plan off twice. Shower of sparks wiring diagram. Acs ignition switch wiring diagram from www.untpikapps.com print the wiring diagram off plus use highlighters to trace the signal.

Wire the magneto, external coil and kill switch as shown in the wiring diagram. Restoring electrical wiring, even more than any other house project is focused on security.

Universal Ignition Switch Wiring Diagram Ekerekizul

Universal Ignition Switch Wiring Diagram Ekerekizul

Murray 12hp Ignition Switch Wiring Diagram Wiring Diagram

Murray 12hp Ignition Switch Wiring Diagram Wiring Diagram

54 Key Ignition Diagram Wiring Diagram Harness

54 Key Ignition Diagram Wiring Diagram Harness

Aircraft Wiring Diagram

Aircraft Wiring Diagram

Bendix Switch Wiring Diagram Wiring Diagram and

Bendix Switch Wiring Diagram Wiring Diagram and

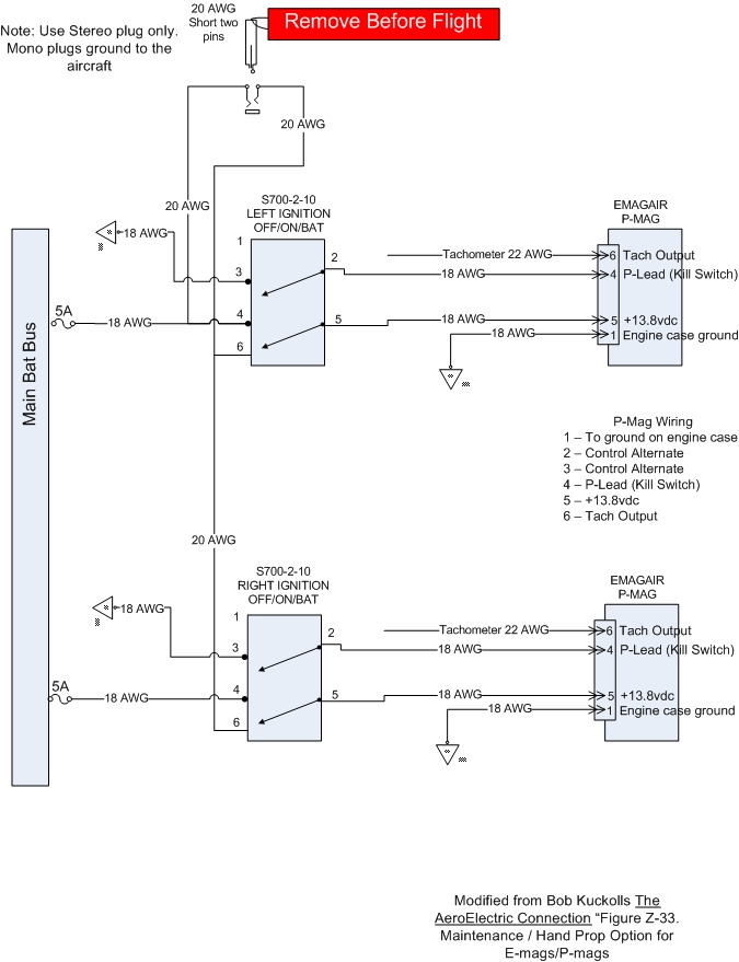
Wiring Diagram for Pmags, ACS iginition switch VAF Forums

Wiring Diagram for Pmags, ACS iginition switch VAF Forums

20 Inspirational 5 Pole Ignition Switch Wiring Diagram

20 Inspirational 5 Pole Ignition Switch Wiring Diagram

Ignition switch The Sprite Forum AustinHealey

Ignition switch The Sprite Forum AustinHealey

Ignition Switch Wiring Diagram ACS Products Company

Ignition Switch Wiring Diagram ACS Products Company

Cessna 182 Wiring Diagram

Cessna 182 Wiring Diagram

Acs Ignition Switch Wiring Diagram Database Wiring

Acs Ignition Switch Wiring Diagram Database Wiring

Cub Cadet Ignition Switch Wiring Diagram Wiring Diagram

Cub Cadet Ignition Switch Wiring Diagram Wiring Diagram

Acs Ignition Switch Wiring Diagram Database Wiring

Acs Ignition Switch Wiring Diagram Database Wiring

Typical Automtive Starter Wiring Diagram 4 pin horn

Typical Automtive Starter Wiring Diagram 4 pin horn

Xiongda Ignition Switch Wiring Diagram Wiring23

Xiongda Ignition Switch Wiring Diagram Wiring23

54 Key Ignition Diagram Wiring Diagram Harness

54 Key Ignition Diagram Wiring Diagram Harness

Universal Ignition Switch Wiring Diagram Ekerekizul

Universal Ignition Switch Wiring Diagram Ekerekizul

Wiring And Fuse Image All Free Accessed Wiring Databse

Wiring And Fuse Image All Free Accessed Wiring Databse

STARTING SWITCH A 5102 ACS USA WHITH STARTER [00220A

STARTING SWITCH A 5102 ACS USA WHITH STARTER [00220A

Acs Ignition Switch Wiring Diagram Database Wiring

Acs Ignition Switch Wiring Diagram Database Wiring

Matronics Email Lists View topic Ignition switch

Matronics Email Lists View topic Ignition switch

Universal Ignition Switch Wiring Diagram Ekerekizul

Universal Ignition Switch Wiring Diagram Ekerekizul

Gm Ignition Switch Wiring Diagram Cadician's Blog

Gm Ignition Switch Wiring Diagram Cadician's Blog

3 Position Ignition Switch Wiring Diagram Database

3 Position Ignition Switch Wiring Diagram Database

3 Position Ignition Switch Wiring Diagram Cadician's Blog

3 Position Ignition Switch Wiring Diagram Cadician's Blog